Наш сайт переезжает
Требуются установщики дверей
Возможно обучение
Получить товар после оплаты Вы можете следующими способами:
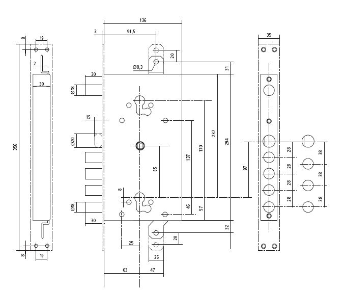
Замок врезной, двухцилиндровый тип С, для установки на металлическую дверь;
4 основных ригеля управляются нижним цилиндровым механизмом, защелка - ручкой, а верхний ригель - верхним цилиндровым механизмом;
механизмы независимы
предусмотрено крепление вертикальных тяг (2 дополнительные точки запирания - сверху и снизу);
комплектуется двумя комплектами накладок на цилиндр.
евроцилиндр подбирается отдельно по пожеланиям заказчика.
на цилиндр рекомендуется установка броненакладки для защиты от выбивания.

Как правило, подобная ситуация выглядит так: с одной стороны ключ работает (открывает/закрывает), а с другой, соответственно, этого не происходит. В этом случае поможет смена личинки (цилиндра)Если сломался ключ в замке двери квартиры. Если это ключ от цилиндра (личинки, ячейки, сердцевины), то