Наш сайт переезжает
Требуются установщики дверей
Возможно обучение
Получить товар после оплаты Вы можете следующими способами:
Особенностью серии является лаконичный дизайн ручек и демократичная цена.
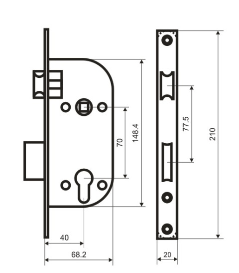
| Характеристика | Описание |
|---|---|
| Назначение | Деревянные двери |
| Удаление квадрата под ручку | 40 мм |
| Межосевое расстояние | 70 мм |
| Защелка | Универсальная |
| Удаление ключевого отверстия | 40 мм |
| Тип механизма секрета | Цилиндровый |
| Тип цилиндрового механизма | Английский |
| Материал цилиндра | Латунь |
| Размер цилиндра | 60 мм |
| Количество ключей | 4 |
| Тип ригеля | Прямоугольный |
| Материал ручек | Алюминий |
| Покрытие ручек | Гальваника |
| Цвет ручек | Старая бронза |
| Покрытие торцевой планки | Гальваника |
| Цвет торцевой планки | Старая бронза |
| Материал корпуса | Сталь |
| Покрытие корпуса | Эмаль |
| Цвет корпуса | Серый |
| Вес | 0,997 |
| Шт в Упаковке | 12 |

Как правило, подобная ситуация выглядит так: с одной стороны ключ работает (открывает/закрывает), а с другой, соответственно, этого не происходит. В этом случае поможет смена личинки (цилиндра)Если сломался ключ в замке двери квартиры. Если это ключ от цилиндра (личинки, ячейки, сердцевины), то