Наш сайт переезжает
Требуются установщики дверей
Возможно обучение
Получить товар после оплаты Вы можете следующими способами:
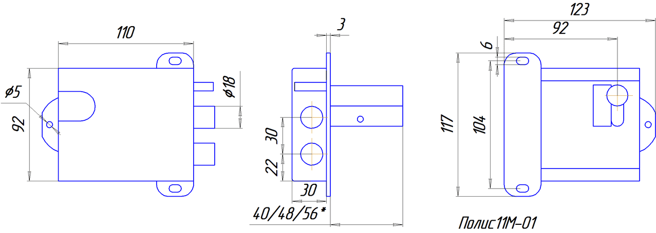
Накладной электромеханический замок ПОЛИС 11EM -01 предназначен для надежного запирания дверей , ворот и калиток с возможностью их дистанционного открывания, в том числе для работы совместно с аудио, видеодомофонами и кодовыми панелями. Встроенный контроллер EM-Marine повышает удобство использования замка. На случай отсутствия электропитания предусмотрено механическое открывание ключом. Улучшенная система автоматического взвода замка обеспечивает уменьшенное и постоянное усилие взвода замка, что позволяет использовать его совместно с доводчиком двери. Механическая задержка вылета засовов исключает ситуацию, когда выходящие из замка засовы препятствуют закрыванию двери. Переворотный кулачок позволяет устанавливать замок как на правую так и на левую дверь. Полис 11ЕМ-01 может быть оснащен опцией блокировки от закрывания.

Как правило, подобная ситуация выглядит так: с одной стороны ключ работает (открывает/закрывает), а с другой, соответственно, этого не происходит. В этом случае поможет смена личинки (цилиндра)Если сломался ключ в замке двери квартиры. Если это ключ от цилиндра (личинки, ячейки, сердцевины), то